
Pumice Finishing and Brass Wire Brushing
5 Minute Read
The first time I saw a machine for pumice finishing and brass wire brushing was at the School for American Craftsmen. I don't know if it is available as a ready-to-use product as I have never seen it in a supplier's catalog. However, I found it easy enough to make.
This machine is designed to rotate slowly, because it is used with a pumice and water slurry for removing scratches and firescale and for producing a transitional finish between silicon carbide paper and standard buffing wheels. It can also be used with a brass wire brush and a soapy water lubricant. In any case, speeds higher than about 200-300 rpm will probably cause the wheel to throw off enough liquid to soak you.
In order to achieve the necessary low speed, a step-down pulley system is the most convenient method. To calculate the final shaft speed: Multiply the motor speed (usually 1750 rpm) by the ratio of the diameter of the small pulley on the motor shaft to the diameter of the large pulley on the polishing shaft. For instance, if the small pulley is 2″ in diameter and the large pulley is 8″ in diameter, then 2/8, or ¼, of 1750 equals 437.5 rpm. If this turns out to be a bit fast, use a motor with a lower speed (some air conditioner motors run at about 1150) or try a smaller motor pulley or a larger shaft pulley. The tendency to spray water is also based on the peripheral speed of the polishing wheel, which varies with the diameter of the wheel. At a given rpm, a 3″ brass wire brush may not throw water while a 6″ brush will.
All the necessary parts are easily acquired and can be assembled by someone who knows how to do woodworking and electrical wiring. Old motors can be found at flea markets and yard sales. A discarded washing machine or air conditioner can be a good source. Because the speed is stepped down considerably, the motor's torque is automatically stepped up. This means that a fairly low power motor will do quite well. A ⅙ or ⅛ hp motor will probably be adequate.
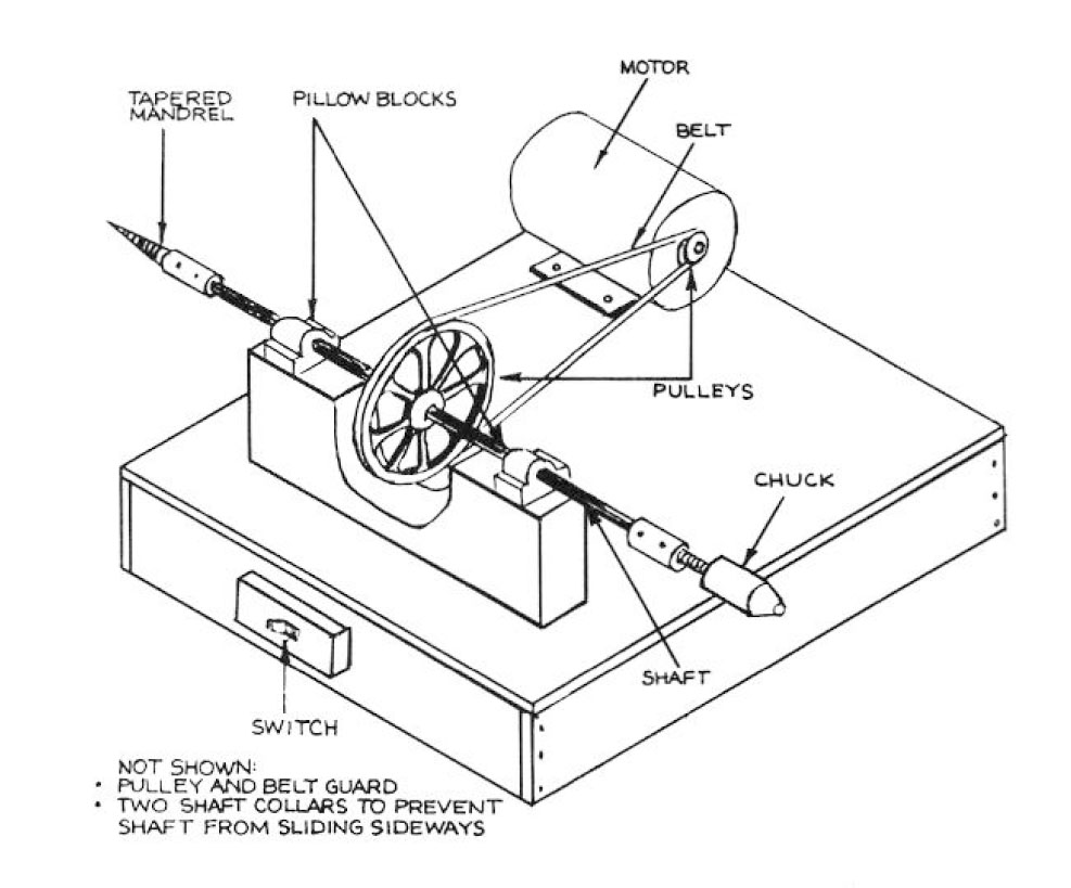
The shaft is made from a length of ½" drill rod, available in any industrial hardware store or Sears. The pillow blocks, pulleys, belt and shaft collars should also be available at these sources. Tapered mandrels come from any jewelry tool supplier. Make sure to specify a left and right mandrel if you wish to have one at each end of the shaft. To make the machine more versatile, put a threaded work-arbor or chuck on the right end of the shaft only. These are also available at Sears or hardware stores. Electrical supplies are also standard hardware items.
There are some safety hazards you should be aware of in using this machine. First, an open pulley and belt system is dangerous and could cause injury; therefore it must be covered. A simple sheet-metal guard can be made for this purpose. Second, make sure that electrical work is done by a competent person. A three-wire grounded system is essential, especially when you are working with wet hands. The motor housing must be grounded and connected to the ground prong on the plug, which must be inserted into the grounded receptacle in the wall. If you defeat this system by using a two-prong adapter, there is no protection from shock if the motor shorts out a circuit.
The accompanying drawing is only a schematic to give you an idea of the arrangement of components. Dimensions and construction details have to be worked out to suit your needs and to fit the dimensions of the parts you are able to buy. The cost of the machine should be around $25, excluding the motor.
To operate the machine for pumice finishing, you can use goblet buffs, cylinder buffs or plain buffs, up to about 3″ in diameter. Stitched buffs are recommended. Felt wheels down to 1″ in diameter or smaller are very useful and cut very quickly. I do not recommend bristle brushes for extended use, because they throw around a lot of pumice dust. Keep a wide, shallow plastic tray under the working area to catch drips and spray. Also keep a mix of pumice and water in a bowl nearby and a ½" paintbrush to stir the pumice and apply it to the work, not the wheel. When wheels dry out from disuse, soak them in water to soften them and to prevent them from spraying dry pumice dust around the room. It also is wise to wear a good dust mask and clean up the work area well after work is finished for the day.
Because firescale removal is one of the important uses for this machine, here is how to find it on your work. Dry the piece and hold a white card or piece of stiff paper at right angles to and below the surface of the silver. Your purpose is to look at the reflection of the card in the silver surface. Any patch of firescale will immediately become visible.
This machine is also ideal for doing brass wire brushing to produce a line satin finish, to prepare metal for reticulation or to create a tarnish-resistant firescale finish. The last two processes are basically the same in that they create a fine silver surface on top of sterling silver by means of repeated annealing, pickling and brass wire brushing.
Wire brushing must be done at low speed to avoid spraying of the soapy water lubricant. (I have heard that stale beer is also useful as a lubricant.) If the brush is used dry it will deposit a coating of brass on the silver and discolor it. Pumice is not used at all in this operation.
The right end of the shaft can be fitted with a right-hand tapered mandrel or a combination work arbor and keyless chuck. The work arbor enables you to use sanding or lapping discs, grindstones and steel wire brushes. The chuck will hold drills, mounted abrasive stones and anything that will fit a flexible shaft. If you build a tool support you can even do rudimentary lathe work on soft materials such as wax. You can also do sanding of a small, round part by chucking it and holding the abrasive against it. Discovering all the clever things you can do with this machine will depend on the kinds of problems you encounter in your work and the ingenuity and imagination you bring to solving them.

The All-In-One Jewelry Making Solution At Your Fingertips
When you join the Ganoksin community, you get the tools you need to take your work to the next level.









